خط نقل كهرباء


في هندسة الترددات الراديوية ، خط النقل عبارة كبل متخصص أو هيكلية أخرى مصممة لإيصال التيار المتناوب من تردد الراديو ، أي التيارات مع الترددات العالية بما يكفي بأن تؤخذ طبيعتها الموجية في الاعتبار. تُستخدم خطوط النقل لأغراض مثل توصيل مرسلات راديو و المستقبلات مع الهوائيات (يطلق عليها بعد ذلك بخطوط التغذية أو وحدات التغذية) ، وتوزيع إشارات التلفزيونات الكابلية ، خطوط الكابلات لاتصالات التوجيه بين مراكز تبديل الهاتف ، اتصالات شبكة الكمبيوتر والكمبيوتر عالي السرعة نواقل البيانات).
تغطي هذه المقالة خط النقل ثنائي الموصل مثل الخط الموازي (خط سلمي) ، الكابل المحوري ، خط تجريبي ، و خط النقل الدقيق. تشير بعض المصادر أيضًا إلى الدليل الموجي ، الدليل الموجي العازل ، وحتى الألياف البصرية كخط نقل ، ومع ذلك فإن هذه الخطوط تتطلب تقنيات تحليلية مختلفة وبالتالي فهي غير مشمولة بهذه المادة ؛ انظر الدليل الموجي (الكهرومغناطيسي).
نظرة عامة
تكفي الكابلات الكهربائية العادية لحمل التردد المنخفض التيار المتناوب (التيار المتناوب) ، التيار الكهربائي ، الذي يعكس الاتجاه من 100 إلى 120 مرة في الثانية ،و الإشارات صوتية. ومع ذلك ، لا يمكن استخدامها لحمل التيارات في نطاق تردد الراديو,[1]أعلى من حوالي 30 كيلو هرتز ، لأن الطاقة تميل إلى تشع قبالة الكابل كموجة الراديو ، مما تسبب في انقطاع التيار الكهربائي. تميل تيارات تردد الراديو أيضًا إلى الانعكاس عن حالات انقطاع في الكبل مثل الموصلات والمفاصل ، ثم تنتقل إلى أسفل الكبل باتجاه المصدر.[1][2] هذه الانعكاسات بمثابة اختناقات ، تمنع طاقة الإشارة من الوصول إلى الوجهة. تستخدم خطوط النقل إنشاءات متخصصة و مطابقة الممانعة ، لنقل الإشارات الكهرومغناطيسية بأقل قدر من الانعكاسات وفقدان الطاقة. السمة المميزة لمعظم خطوط النقل هي أن لها أبعاد مقطعية متجانسة بطولها ، مما يمنحها شكلًا موحدًا ' ممانعة "، وتسمى الممانعة المميزة,[2][3][4] لمنع الانعكاسات. تتضمن أنواع خط النقل خطًا متوازيًا (خط سلمي ، الزوج الملتوي) ، كابل متحد المحور ، و خط نقل مستو مثل الخط المتجانس و خط متناهي الصغر.[5][6] كلما زاد تواتر الموجات الكهرمغنطيسية التي تمر عبر كابل أو وسط معين ، كلما كان الطول الموجي للأمواج أقصر. تصبح خطوط النقل ضرورية عندما يكون طول الموجة الترددية المرسلة قصيرًا بدرجة كافية بحيث يصبح طول الكابل جزءًا مهمًا من طول الموجة. في ترددات الأمواج الميكروية وما فوقها ، تصبح ضياعات الطاقة في خطوط النقل مفرطة ، ويتم استخدام الدليل الموجي بدلاً من ذلك,[1]التي تعمل بمثابة "أنابيب" لحصر وتوجيه الموجات الكهرومغناطيسية.[6] تعرف بعض المصادر أدلة الأمواج كنوع من خطوط النقل;[6] ومع ذلك ، لن تتضمن هذه المقالة لهم. في الترددات الأعلى ، في نطاقات تيراهيرتز ، أشعة تحت الحمراء و المرئية ، تصبح أدلة الأمواج ضائعة ، و الطرق البصرية ، ( كما العدسات والمرايا) ، تستخدم لتوجيه الموجات الكهرومغناطيسية.[6]
تتشابه نظرية الانتشار الموجة الصوتية من الناحية الرياضية مع نظرية الموجات الكهرومغناطيسية ، لذا تُستخدم التقنيات المستقاة من نظرية خط النقل لبناء هياكل لتوصيل الموجات الصوتية ؛ وتسمى هذه خطوط نقل الصوت.
لمحة تاريخية
نما التحليل الرياضي لسلوك خطوط النقل الكهربائية من عمل جيمس كليرك ماكسويل ، اللورد كلفن ، و أوليفر هيفيسيد. في عام 1855 ، صاغ اللورد كلفن نموذجًا لنشر التيار في كابل بحري. تنبأ النموذج بشكل صحيح بالأداء الضعيف لـ 1858 عبر المحيط الأطلسي كابل التلغراف البحري. في عام 1885 نشر Heaviside الأوراق الأولى التي وصفت تحليله للانتشار في الكابلات والشكل الحديث لـ معادلات التلغراف.[7]
القابلية للتطبيق
في كثير من الدوائر الكهربائية ، يمكن تجاهل طول الأسلاك التي تربط المكونات في معظم الأحيان. وهذا يعني أن الجهد على السلك في وقت معين يمكن افتراضه هو نفسه في جميع النقاط. ومع ذلك ، عندما يتغير الجهد في فترة زمنية مماثلة للوقت الذي تستغرقه الإشارة للانتقال لأسفل السلك ، يصبح الطول مهمًا ويجب معالجة السلك كخط نقل. بطريقة أخرى ، يكون طول السلك مهمًا عندما تشتمل الإشارة على مكونات التردد مع طول الموجة المطابق الذي يمكن مقارنته أو أقل من طول السلك.
تتمثل إحدى القواعد الشائعة في أنه ينبغي معاملة الكابل أو السلك كخط نقل إذا كان الطول أكبر من 1/10 من طول الموجة. في هذا الطول ، يصبح تأخير المرحلة وتداخل أي انعكاسات على الخط أمرًا مهمًا ويمكن أن يؤدي إلى سلوك غير متوقع في الأنظمة التي لم يتم تصميمها بعناية باستخدام نظرية خط النقل.
نموذج النهائي الرباعي
For the purposes of analysis, an electrical transmission line can be modelled as a two-port network (also called a quadripole), as follows:
في أبسط الحالات ، يُفترض أن تكون الشبكة خطية (أي أن المجمع عبر أي منفذ يتناسب مع التيار المعقد الذي يتدفق فيه عندما لا توجد انعكاسات) ، ويفترض أن يكون المنفذان أن تكون قابلة للتبديل. إذا كان خط النقل موحدًا بطوله ، فسيتم وصف سلوكه إلى حد كبير ببارامتر واحد يسمى "الخاصية المميزة" ، الرمز Z 0 . فهي نسبة الجهد العقدي لموجة معينة إلى التيار العقدي لنفس الموجة في أي نقطة على الخط. القيم النموذجية لـ Z 0 هي 50 أو 75 ohm s لـ كابل متحد المحور ، وحوالي 100 أوم لزوج من الأسلاك الملتوية ، وحوالي 300 أوم لنوع شائع من زوج untwisted المستخدمة في البث الإذاعي. عند إرسال الطاقة إلى خط نقل ، من المستحسن عادة أن يتم امتصاص أكبر قدر ممكن من الطاقة بواسطة الحمل وأن ينعكس مرة أخرى قدر الإمكان على المصدر. يمكن ضمان ذلك عن طريق جعل مقاومة الحمل مساوية لـ Z 0 ، وفي هذه الحالة يقال إن خط النقل يكون مطابقاً .

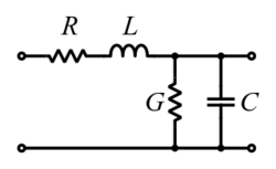
يتم فقدان بعض الطاقة التي يتم تغذية في خط نقل بسبب مقاومته. يسمى هذا التأثير خسارة "أومية" أو "مقاومة" (انظر التدفئة الأومية). في الترددات العالية ، يصبح تأثير آخر يسمى "فقدان العزل الكهربائي" ذا أهمية ، مما يزيد من الخسائر الناجمة عن المقاومة. يحدث فقد العزل الكهربائي عندما تمتص المادة العازلة داخل خط النقل الطاقة من الحقل الكهربائي المتناوب وتحولها إلى الحرارة (انظر التدفئة العازلة). تم تصميم خط النقل بمقاومة (R) ومحاثة (L) في سلسلة مع السعة (C) والتوصيل (G) في نفس الوقت. تساهم المقاومة والتوصيل في الخسارة في خط النقل.
غالبًا ما يتم تحديد الخسارة الكلية للطاقة في خط النقل في ديسيبل لكل متر (ديسيبل / م) ، وعادة ما تعتمد على تردد الإشارة. و غالبًا ما توفر الجهة المصنعة مخططًا يوضح الخسارة بالديسيبل / م عند مجموعة من الترددات. ويقابل فقدان dB 3 تقريبًا نصف القوة.
يمكن تعريف خطوط النقل عالية التردد بأنها تلك المصممة لحمل الموجات الكهرومغناطيسية التي طول الموجة بها أقصر من أو تقارن بطول الخط. في ظل هذه الظروف ، لم تعد التقديرات المفيدة لإجراء العمليات الحسابية عند الترددات المنخفضة دقيقة. يحدث هذا غالبًا مع إشارات راديو ، ميكروية و بصرية ، مرشحات شبكة معدنية بصرية ، ومع إشارات موجودة في دارة رقمية عالية السرعة .
معادلات Telegrapher
معادلات التلغراف(أو معادلات التلغراف التامة) هي زوج من المعادلات التفاضلية الخطية التي تصف الجهد () و التيار () على خط نقل كهربائي مع المسافة والزمن . تم تطويرها بواسطة Oliver Heaviside الذي أنشأ "نموذج خط النقل" ، ويستند إلى معادلات ماكسويل.
نموذج خط النقل هو مثال على نموذج العنصر الموزع. ويمثل خط النقل كسلسلة لا حصر لها من المكونات الأولية ثنائية المنافذ ، يمثل كل منها شريحة قصيرة بلا حدود من خط النقل:
- يتم تمثيل المقاومة الموزعة للموصلات بواسطة سلسلة مقاومة (يتم التعبير عنها بـ أوم لكل وحدة طول).
- التحريض الموزع (بسبب المجال المغناطيسي حول الأسلاك ، التحريض الذاتي ، وما إلى ذلك)) يتم تمثيله بسلسلة محرض (في هنري لكل وحدة طول).
- يتم تمثيل السعة بين الموصلين بـ shunt مكثف ((فاراد لكل وحدة طول)).
- يتم تمثيل الموصلية للمواد العازلة التي تفصل بين الموصلين بمقاوم تحويل بين سلك الإشارة وسلك الإرجاع (في siemens لكل وحدة طول).
يتكون النموذج من سلسلة لانهائية من العناصر الموضحة في الشكل ، ويتم تحديد قيم المكونات لكل وحدة طول بحيث يمكن أن تكون صورة المكون مضللة. قد يكون و و و من وظائف التردد. مجموعة رموز التيار المتناوب هي استخدام و و و للتأكيد على أن القيم هي مشتقات فيما يتعلق الطول. يمكن أن تعرف هذه الكميات أيضًا باسم ثوابت الخط الأساسي للتمييز عن ثوابت الخط الثانوي المشتقة منها ، وهذه هي ثابت الانتشار ، ثابت التخميد و ثابت الطور.
جهد الخط و التيار يمكن التعبير عنها في مجال التردد ك
حالة خاصة من ضياعات الخط
عندما يكون العنصران و صغيرين بشكل كبير ، يُعتبر خط الإرسال بنية ضائعة. في هذه الحالة الافتراضية ، يعتمد النموذج فقط على عناصر و مما يبسط التحليل إلى حد كبير. بالنسبة لخط نقل بلا خسائر ، تكون معادلات Telegrapher للحالة المستقرة من الرتبة الثانية هي:
هذه هي معادلة الموجة التي لها أمواج مستوية مع سرعة انتشار متساوية في الاتجاهين الأمامي والخلفي كحلول. تكمن الأهمية المادية لهذا أن اللأمواج الكهرومغناطيسية تنتشر أسفل خطوط النقل ، وبشكل عام ، هناك مكون منعكس و يتداخل مع الإشارة الأصلية. هذه المعادلات أساسية لنظرية خط النقل.
الحالة العامة للخط مع الضياعات
في الحالة العامة ، يتم تضمين مصطلحات الضياعات ، و ، وتصبح الصيغة الكاملة لمعادلات Telegrapher:
حيث هي ثابت انتشار ( عقدي) . هذه المعادلات أساسية لنظرية خط النقل. إنها أيضًا معادلات موجية ، ولديها حلول مماثلة للحالة الخاصة ، ولكنها مزيج من الجيب وجيب التمام بعوامل الانحلال الأسي. حل ثابت الانتشار من حيث البارامترات الأساسية و و و يعطي:
ويمكن التعبير عن الممانعة المميزة
الحلول من أجل and are:
يجب تحديد الثوابت من الشروط الحدية. للحصول على نبض الجهد ، بدءًا من والانتقال إلى الموجبة الاتجاه ، ثم يمكن الحصول على النبض الذي تم إرسالهفي الموضع عن طريق حساب تحويل فورييه ، ، من ، لتخفيف كل مكون تردد عن طريق ، تقدم مرحلته بواسطة ، وأخذ عكس تحويل فورييه. يمكن حساب الأجزاء الحقيقية والمتخيلة من كـ
مع
تعبير الطرف اليمن يرصد عندما لا , ولا , و لا صفر, ومع
حيث atan2 هو الشكل المحدد في كل مكان للدالة المستقيمة ثنائية البارامتر ، مع قيمة عشوائية صفرية عندما تكون كلتا الوسيطتين صفر.
حالة ، خاصة ضياعات منخفضة
للضياعات الصغيرة والترددات العالية ، يمكن تبسيط المعادلات العامة: إذا و ثم
عند تقم الطور عن طريق ما يعادل تأخير الزمن من قبل , يمكن أن تحسب ببساطة من
شرط هيڤيسيد
حالة هيڤيسيد هي حالة خاصة حيث تنتقل الموجة لأسفل الخط دون أي تشويه تبدد). الشرط لحصول ذلك
مقاومة دخل خط النقل

إن الممانعة المميزة لخط النقل هي نسبة سعة الموجة الفولطية "الأحادية" إلى الموجة الحالية. نظرًا لأن معظم خطوط النقل لها أيضًا موجة منعكسة ، فإن الممانعة المميزة ليست عمومًا هي الممانعة التي يتم قياسها على الخط. المقاومة تقاس على مسافة معينة من مقاومة الحمل قد يتم التعبير عن
- ,
حيث هو ثابت الانتشار و هو جهد معامل الانعكاس يقاس في نهاية الحمل لخط النقل. بدلاً من ذلك ، يمكن إعادة ترتيب الصيغة أعلاه للتعبير عن مقاومة المدخلات من حيث مقاومة الحمل بدلاً من معامل انعكاس جهد الحمل:
- .
مقاومة الدخل لخط نقل عديم الضياعات
بالنسبة لخط نقل عديم الضياع ، يكون ثابت الانتشار وهمي, , فالصيغ أعلاه يمكن إعادة كتابتها
حيث هو عدد الأمواج. في حساب يختلف طول الموجة عمومًا عن "داخل" خط النقل إلى ما سيكون عليه في الفضاء الحر. وبالتالي ، فإن ثابت سرعة المادة التي يتكون منها خط النقل يحتاج إلى أن يؤخذ في الاعتبار عند القيام بهذا الحساب.
حالات خاصة لخطوط نقل عديمة الضياعات
نصف طول الموجة
للحالة الخاصة حيث حيث n عدد صحيح (بمعنى أن طول الخط هو مضاعف نصف الطول الموجي) ، فإن التعبير يقلل إلى مقاومة الحمل بحيث
بالنسبة لجميع يتضمن هذا الحالة عندما يكون ، مما يعني أن طول خط النقل صغير بشكل لا يقارن مقارنة بطول الموجة. تكمن الأهمية المادية لذلك في أنه يمكن تجاهل خط النقل (بمعالجة السلك) في كلتا الحالتين.
ربع طول الموجة
للحالة التي يكون فيها طول الخط ربع طول الموجة ، أو مضاعفًا فرديًا لطول موجة الطول ، يصبح مقاومة المدخلات
الحمولة المتطابقة
حالة خاصة أخرى هي عندما تكون مقاومة الحمل مساوية للممانعة المميزة للخط (أي الخط "متطابق") ، وفي هذه الحالة تنخفض الممانعة إلى الممانعة المميزة للخط بحيث: لكل وكل .
القصر

لحالة حمولة قصر (i.e. ), مقاومة المدخلات وهمية بحتة ووظيفة دورية للحالة وطول موجة (التردد)
الدارة المفتوحة
لحالة مفتوحة (i.e.
), مقاومة المدخلات مرة أخرى وهمية ودورية
خط النقل المتدرج
[8] يستخدم خط النقل المتدرج لمجموعة واسعة لمطابقة المقاومة. يمكن اعتباره مقاطع متعددة لخطوط النقل متصلة في سلسلة ، مع الممانعة المميزة لكل عنصر على حدة
.. يمكن الحصول على مقاومة المدخلات من التطبيق المتتابع لعلاقة السلسلة
حيث هو رقم الموجة ل -th خط نقل الجزء و هو طول هذا الجزء , و هو الممانعة الأمامية التي تحمل -th segment.
لأن الممانعة المميزة لكل قطاع خط نقل غالبا ما يختلف عن كابل الإدخال , تحول دائرة الممانعة خارج محورها على طول محور Smith Chart عادة ما يتم تطبيع تمثيل الممانعة .
خط النقل المتدرج هو مثال على دارة العناصر الموزعة. يمكن أيضًا إنشاء مجموعة كبيرة ومتنوعة من الدوائر الأخرى بخطوط نقل بما في ذلك المرشحات ، مقسمات القدرة ومزاوجات الاتجاه.
أنواع عملية
الكبل المحوري
تحصر الخطوط المحورية جميع الأمواج الكهرومغناطيسية تقريبًا في المنطقة الموجودة داخل الكابل. وبالتالي يمكن أن تكون الخطوط المحورية مثنية وملتوية (خاضعة لحدود) دون آثار سلبية ، ويمكن ربطها بالدعامات الموصلة دون إحداث التيارات غير المرغوبة فيها. في تطبيقات الترددات الراديوية التي تصل إلى بضعة غيغا هرتز ، تنتشر الموجة العرضية في الوضع الكهربائي والمغناطيسي فقط ، مما يعني أن المجالين الكهربائي والمغناطيسي كليهما عموديان على اتجاه الانتشار ( المجال الكهربائي شعاعي ، والمجال المغناطيسي محيطي). ومع ذلك ، في الترددات التي يكون طول الموجة (في العزل الكهربائي) أقصر بشكل كبير من محيط الكبل الآخر يمكن أن ينتشر الوضع العرضي . تصنف هذه الأنماط إلى مجموعتين ، الأوضاع الكهربائية المستعرضة (TE) والأوضاع المغناطيسية المستعرضة (TM) الدليل الموجي. عندما يمكن أن يوجد أكثر من وضع ، فإن الانحناءات وغيرها من المخالفات في هندسة الكبل يمكن أن تتسبب في نقل الطاقة من وضع إلى آخر. الاستخدام الأكثر شيوعًا للكابلات المحورية هو للتلفزيون وإشارات أخرى مع عرض النطاق الترددي بعدة ميغاهرتز .حيث حمل المستخدمون هاتفًا للمسافات الطويلة في منتصف القرن العشرين.
الخطوط المستوية
المغير
تستخدم دائرة microstrip موصلًا مسطحًا رقيقًا [[موازي (هندسة] | موازي]]) إلى أرضية مستوية. يمكن صنع Microstrip من خلال وجود شريط من النحاس على جانب واحد من لوحة الدوائر المطبوعة (PCB) أو الركيزة الخزفية في حين أن الجانب الآخر هو أرضية مسطحة مستمرة. يحدد عرض الشريط وسمك الطبقة العازلة (ثنائي الفينيل متعدد الكلور أو السيراميك) و العزل الكهربائي للطبقة العازلة الممانعة المميزة. Microstrip هو بنية مفتوحة في حين أن الكابل المحوري هو هيكل مغلق.
Stripline
تستخدم دارة Stripline شريطًا مسطحًا من المعدن يقع بين أرضيتين مستويتين متوازيتين. المواد العازلة من الركيزة تشكل العزل . يحدد عرض الشريط وسمك الركيزة والسماحية النسبية للركيزة الممانعة المميزة للشريط الذي يمثل خط نقل.
الدليل الموجي المركب
يتكون الدليل الموجي المتحد المستوى من شريط مركزي واثنين من الموصلات الخارجية المتجاورة ، جميعها ثلاثة هياكل مسطحة يتم ترسيبها على الركيزة العازلة نفسها ، وبالتالي فهي تقع في نفس السطح ("المستوي"). يحدد عرض الموصل المركزي والمسافة بين الموصلات الداخلية والخارجية والسماحية النسبية للركيزة الممانعة المميزة لخط نقل المستوى.
الخطوط المتوازنة
الخط المتوازن هو خط نقل يتكون من اثنين من الموصلات من نفس النوع ، ومقاومة متساوية للأرض وغيرها من الدارات. هناك العديد من تنسيقات الخطوط المتوازنة ، من أكثرها شيوعًا الزوج الملتوي ، رباعي النجمة والرصاص المزدوج.
الزوج الملفوف
يشيع استخدام الأزواج الملتوية للاتصالات الهاتف الأرضية. في مثل هذه الكابلات ، يتم تجميع العديد من الأزواج معًا في كابل واحد ، من اثنين إلى عدة آلاف.[9] يستخدم التنسيق أيضًا لتوزيع شبكة البيانات داخل المباني ، لكن الكبل أغلى من ذلك لأن بارامترات خط النقل يتم التحكم فيها بإحكام.
النجمة الرباعية
Star quad عبارة عن كبل رباعي الموصلات يتم فيه ربط جميع الموصلات الأربعة معًا حول محور الكبل. يستخدم أحيانًا لدارتين ، مثل 4 أسلاك المهاتفة وتطبيقات الاتصالات الأخرى. في هذا التكوين ، يستخدم كل زوج اثنين من الموصلات غير المجاورة. في أحيان أخرى ، يتم استخدامه لخط واحد خط متوازن ، مثل التطبيقات الصوتية و تطبيقات ذات السلكين. في هذا التكوين ، يتم إنهاء موصلين غير متجاورين معًا عند طرفي الكبل ، كما يتم إنهاء الموصلين الآخرين معًا.
عند استخدام دارتين ، يتم تقليل نقل غير مرغوب فيه للإشارات بين قنوات الاتصال المتبادلة نسبةً إلى الكبلات المزودة بزوجين ملتويين منفصلين.
عند استخدام خط واحد خط متوازن ، يصل التداخل المغناطيسي الذي يلتقطه الكبل كإشارة إلى وضع عام مثالي تمامًا ، يمكن إزالته بسهولة عن طريق محولات المزاوجة.
توفر الفوائد المجمعة للف والإشارة المتوازنة ونمط الرباعي حماية رائعة من الضجيج ، وهي ميزة خاصة للتطبيقات ذات المستوى المنخفض للإشارة مثل كابلات الميكروفون ، حتى عند تركيبها بالقرب من كابل الطاقة.[10][11][12][13][14] المساوئ هو أن النجمي الرباعي ، في الجمع بين اثنين من الموصلات ، وعادة ما يكون ضعف سعة كابلي صوت ملفوفين و محميين و موصولين . تتسبب السعة العالية في زيادة التشويش وفقدان أكبر للترددات العالية مع زيادة المسافة.[15][16]
الرصاصي المزدوج
يتكون الكبل الرصاصي المزدوج من زوج من الموصلات معزولة عن طريق عازل مستمر. من خلال فصل الموصلات عن بُعد ، يتم إصلاح هندسة وخصائص الخط المتناسقة بشكل موثوق. خسارته أقل من الكابلات المحورية لأن الممانعة المميزة للرصاص المزدوج أعلى عمومًا من الكابلات المحورية ، مما يؤدي إلى انخفاض خسائر المقاومة بسبب انخفاض التيار. ومع ذلك ، فإنه أكثر عرضة للتداخل.
خطوط Lecher
خطوط Lecher هي شكل من الموصلات المتوازية التي يمكن استخدامها في UHF لإنشاء دارات رنين . إنها تصميم عملي ملائم يسد الفجوة بين المكونات المقطوعة حيث (تستخدم في HF / VHF) و تجاويف الرنين و (تستخدم في UHF / SHF).
خط سلك واحد
كانت تستخدم الخطوط الغير متوازنة في السابق بشكل كبير في نقل التلغراف ، ولكن هذا النوع من الاتصالات قد أصبح الآن في وضع عدم الاستخدام. تشبه الكابلات الزوج الملفوف حيث يتم تجميع العديد من النوى في نفس الكابل ولكن يتم توفير موصل واحد فقط لكل دارة ولا يوجد أي تلف. تستخدم جميع الدارات الموجودة على نفس المسار مسارًا شائعًا لتيار الإرجاع (إرجاع أرضي). هناك إصدار نقل الطاقة من إرجاع أرضي أحادي الأسلاك المستخدم في العديد من المواقع.
التطبيقات العامة
نقل الإشارة
تُستخدم خطوط النقل الكهربائية على نطاق واسع لنقل الإشارات عالية التردد على مسافات طويلة أو قصيرة بأقل خسارة للطاقة . أحد الأمثلة المألوفة هو الرصاص المنخفض من جهاز تلفزيون أو راديو الهوائي إلى المتلقي.
توليد النبضات
خطوط النقل تستخدم أيضا كمولدات نبضية. من خلال شحن خط النقل ثم تفريغه في حمل مقاوم ، يمكن الحصول على نبض مستطيل يساوي طوله ضعف الطول الخط الكهربائي ، على الرغم من نصف الجهد . إن خط نقل Blumlein عبارة عن جهاز لتشكيل النبض ذي الصلة يتغلب على هذا القيد. تستخدم هذه المصادر أحيانًا كمصادر القدرة النبضية لـ الرادار أجهزة الإرسال والأجهزة الأخرى.
مرشحات صدم
إذا كان خط النقل قصير الدارة أو مفتوح الدارة سلكيًا على التوازي مع خط يستخدم لنقل الإشارات من النقطة A إلى النقطة B ، فسيعمل كفلتر. طريقة صنع صدم مماثلة لطريقة استخدام خطوط Lecher لقياس التردد الخام ، لكنها "تعمل للخلف". إحدى الطرق الموصى بها في كتيب RSGB لراديو الاتصالات الراديوية هي أخذ طول دائرة مفتوحة لخط الإرسال السلكية بالتوازي مع التغذية التي تقدم إشارات من الهوائي. عن طريق قطع الطرف الحر لخط النقل ، يمكن العثور على الحد الأدنى من قوة الإشارة التي لوحظت في جهاز الاستقبال. في هذه المرحلة سيرفض عامل تصفية العقب هذا التكرار والتوافقيات الفردية ، ولكن إذا تم اختصار الطرف الحر من العقب ، فسيصبح هذا العقب مرشحًا يرفض التوافقيات الزوجية.
للاستزادة
- خط نقل اصطناعي Artificial transmission line
- الموجة الكهرومغناطيسية الطولية Longitudinal wave|Longitudinal electromagnetic wave
- سرعة الانتشار Propagation velocity
- نقل طاقة تردد الراديو Radio frequency power transmission
- انعكاس المجال الزمني Time domain reflectometer
المراجع
Part of this article was derived from Federal Standard 1037C.
- ^ أ ب ت Jackman, Shawn M.; Matt Swartz; Marcus Burton; Thomas W. Head (2011). CWDP Certified Wireless Design Professional Official Study Guide: Exam PW0-250. John Wiley & Sons. pp. Ch. 7. ISBN 978-1118041611.
- ^ أ ب Oklobdzija, Vojin G.; Ram K. Krishnamurthy (2006). High-Performance Energy-Efficient Microprocessor Design. Springer Science & Business Media. p. 297. ISBN 978-0387340470.
- ^ Guru, Bhag Singh; Hüseyin R. Hızıroğlu (2004). Electromagnetic Field Theory Fundamentals, 2nd Ed. Cambridge Univ. Press. pp. 422–423. ISBN 978-1139451925.
- ^ Schmitt, Ron Schmitt (2002). Electromagnetics Explained: A Handbook for Wireless/ RF, EMC, and High-Speed Electronics. Newnes. p. 153. ISBN 978-0080505237.
- ^ Carr, Joseph J. (1997). Microwave & Wireless Communications Technology. USA: Newnes. pp. 46–47. ISBN 978-0750697071.
- ^ أ ب ت ث Raisanen, Antti V.; Arto Lehto (2003). Radio Engineering for Wireless Communication and Sensor Applications. Artech House. pp. 35–37. ISBN 978-1580536691.
- ^ Weber, Ernst; Nebeker, Frederik (1994). The Evolution of Electrical Engineering. Piscataway, New Jersey: IEEE Press. ISBN 0-7803-1066-7.
- ^ Qian, Chunqi; Brey, William W. (2009). "Journal of Magnetic Resonance – Impedance matching with an adjustable segmented transmission line". Journal of Magnetic Resonance. 199 (1): 104–110. Bibcode:2009JMagR.199..104Q. doi:10.1016/j.jmr.2009.04.005. PMID 19406676.
- ^ Syed V. Ahamed, Victor B. Lawrence, Design and engineering of intelligent communication systems, pp.130–131, Springer, 1997 ISBN 0-7923-9870-X.
- ^ The Importance of Star-Quad Microphone Cable
- ^ Evaluating Microphone Cable Performance & Specifications
- ^ The Star Quad Story
- ^ What's Special About Star-Quad Cable?
- ^ How Starquad Works
- ^ Lampen, Stephen H. (2002). Audio/Video Cable Installer's Pocket Guide. McGraw-Hill. pp. 32, 110, 112. ISBN 978-0071386210.
- ^ Rayburn, Ray (2011). Eargle's The Microphone Book: From Mono to Stereo to Surround – A Guide to Microphone Design and Application (3 ed.). Focal Press. pp. 164–166. ISBN 978-0240820750.
- Steinmetz, Charles Proteus (27 August 1898). "The natural period of a transmission line and the frequency of lightning discharge therefrom". The Electrical World: 203–205.
- Grant, I.S.; Phillips, W.R. (1991-08-26). Electromagnetism (2nd ed.). John Wiley. ISBN 978-0-471-92712-9.
- Ulaby, F.T. (2004). Fundamentals of Applied Electromagnetics (2004 media ed.). Prentice Hall. ISBN 978-0-13-185089-7.
- "Chapter 17". Radio communication handbook. Radio Society of Great Britain. 1982. p. 20. ISBN 978-0-900612-58-9.
- Naredo, J.L.; Soudack, A.C.; Marti, J.R. (Jan 1995). "Simulation of transients on transmission lines with corona via the method of characteristics". IEE Proceedings - Generation, Transmission and Distribution. 142 (1): 81. doi:10.1049/ip-gtd:19951488. ISSN 1350-2360.
قراءة متعمقة
- (13 January 1902) "Honoring of Guglielmo Marconi" in Annual Dinner of the Institute at the Waldorf-Astoria., American Institute of Electrical Engineers.
- "Using Transmission Line Equations and Parameters". Star-Hspice Manual. Avant! Software. يونيو 2001. Archived from the original on 25 سبتمبر 2005.
- Cornille, P. (1990). "On the propagation of inhomogeneous waves". Journal of Physics D: Applied Physics. 23 (2): 129–135. doi:10.1088/0022-3727/23/2/001.
- Farlow, S.J. (1982). Partial Differential Equations for Scientists and Engineers. J. Wiley and Sons. p. 126. ISBN 0-471-08639-8.
- Kupershmidt, Boris A. (1998). "Remarks on random evolutions in Hamiltonian representation". J. Nonlinear Math. Phys. 5 (4): 383–395. Math-ph/9810020.
- "Transmission line matching" (PDF). Department of Electronic and Information Engineering. High Frequency Circuit Design. Hong Kong Polytechnic University. EIE403.
- Wilson, B. (19 أكتوبر 2005). "Telegrapher's Equations". Connexions. Archived from the original on 9 يناير 2006.
- Wöhlbier, John Greaton. ""Fundamental Equation" and "Transforming the Telegrapher's Equations"". Modeling and Analysis of a Traveling Wave Under Multitone Excitation (PDF) (Thesis). Archived from the original (PDF) on 19 يونيو 2006.[استشهاد ناقص]
- "Wave Propagation along a Transmission Line" (Educational Java Applet). Educational Resources. Keysight Technologies. (May need to add "http://www.keysight.com" to your Java Exception Site list.)
- Qian, Chunqi; Brey, William W. (2009). "Impedance matching with an adjustable segmented transmission line". Journal of Magnetic Resonance. 199 (1): 104–110. Bibcode:2009JMagR.199..104Q. doi:10.1016/j.jmr.2009.04.005. PMID 19406676.