دائرة مقاومة وملف
دائرة مقاومة و ملف الإنجليزية ( Resistor-inductor circuit (RL circuit هي أبسط مرشح إلكتروني للإشارات التناظرية تعمل بمقاومة و ملف موصّلان على التوالي أوالتوازي بالإضافة إلي مصدر كهربائي .
المعاوقة المركبة
المعاوقة أو المقاومة المركبة المركبة ZL مقاسة بالأوم لملف ذو حث مقداره L هنري تساوي:
حيث:
s التردد المركب ، وهو عدد مركب يكتب كالآتي:
حيث:
- j الوحدة التخيلية من العدد المركب :
ثابت الانهيار الأسي (للأساس الطبيعي e) بالراديان/ثانية،
التردد الزاوي بالراديان/ثانية.
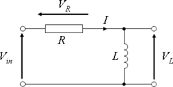
دائرة التوصيل على التوالي

Series RL circuit
يمثل الشكل توصيلة الدائرة المكونة من مقاومة وملف ومصدر كهربائي (V(in.
باعتبار الدائرة مجزئ للجهد ، نجدأن الجهد عبر الملف يساوي :
والجهد عبر المقاومة يساوي:
- .
وبالنسبة للتيار ، فالتيار متساوي في كل الدائرة حيث التوصيل على التوالي :
- .
اقرأ أيضا
الكلمات الدالة:
This article may include material from Wikimedia licensed under CC BY-SA 4.0. Please comply with the license terms.