نعلم أن الاستطاعة الآنية لعنصر تعطى بالعلاقة:
p
(
t
)
=
v
(
t
)
i
(
t
)
𝑝
𝑡
𝑣
𝑡
𝑖
𝑡
{\displaystyle{\displaystyle p(t)=v(t)i(t)\,}}
، وفي حال عنصر يخضع لتيار متناوب، تأخذ علاقة كل من الفلطية والتيار الشكلين التاليين:
v
(
t
)
=
V
m
sin
(
ω
t
+
θ
1
)
𝑣
𝑡
subscript
𝑉
𝑚
𝜔
𝑡
subscript
𝜃
1
{\displaystyle{\displaystyle v(t)=V_{m}\sin(\omega t+{\theta}_{1})\,}}
i
(
t
)
=
I
m
sin
(
ω
t
+
θ
2
)
𝑖
𝑡
subscript
𝐼
𝑚
𝜔
𝑡
subscript
𝜃
2
{\displaystyle{\displaystyle i(t)=I_{m}\sin(\omega t+\theta_{2})\,}}
وبالتالي يمكننا أن نحسب الاستطاعة الآنية لهذا العنصر، فتكون (وباستخدام بعض التحويلات المثلثية!):
p
(
t
)
=
I
m
V
m
sin
(
ω
t
+
θ
1
)
sin
(
ω
t
+
θ
2
)
=
-
1
2
I
m
V
m
[
cos
(
2
ω
t
+
θ
1
+
θ
2
)
-
cos
(
θ
1
-
θ
2
)
]
𝑝
𝑡
subscript
𝐼
𝑚
subscript
𝑉
𝑚
𝜔
𝑡
subscript
𝜃
1
𝜔
𝑡
subscript
𝜃
2
1
2
subscript
𝐼
𝑚
subscript
𝑉
𝑚
delimited-[]
2
𝜔
𝑡
subscript
𝜃
1
subscript
𝜃
2
subscript
𝜃
1
subscript
𝜃
2
{\displaystyle{\displaystyle p(t)=I_{m}V_{m}\sin(\omega t+\theta_{1})\sin(%
\omega t+\theta_{2})={\frac{-1}{2}}I_{m}V_{m}[\cos(2\omega t+\theta_{1}+\theta%
_{2})-\cos(\theta_{1}-\theta_{2})]\,}}
أي
p
(
t
)
=
1
2
I
m
V
m
[
cos
(
θ
1
-
θ
2
)
-
cos
(
2
ω
t
+
θ
1
+
θ
2
)
]
𝑝
𝑡
1
2
subscript
𝐼
𝑚
subscript
𝑉
𝑚
delimited-[]
subscript
𝜃
1
subscript
𝜃
2
2
𝜔
𝑡
subscript
𝜃
1
subscript
𝜃
2
{\displaystyle{\displaystyle p(t)={\frac{1}{2}}I_{m}V_{m}[\cos(\theta_{1}-%
\theta_{2})-\cos(2\omega t+\theta_{1}+\theta_{2})]\,}}
الآن يمكننا حساب الاستطاعة الوسطية المستهلكة خلال دور واحد من خلال العلاقة التالية:
P
=
1
T
-
0
∫
0
T
p
(
t
)
{
d
t
fragments
P
1
𝑇
0
superscript
subscript
0
𝑇
p
fragments
(
t
)
fragments
{
d
t
{\displaystyle{\displaystyle P={\frac{1}{T-0}}\int_{0}^{T}{p(t)\{dt}\,}}
وبالتالي:خطأ رياضيات (خطأ في الصيغة): {\displaystyle P=\frac{1}{T}V_{m}I_{m}[\int _{0}^{T}\cos (\theta _{1}-\theta_{2})\{dt}-\int _{0}^{T}{\cos (2\omega t+\theta _{1}+\theta_{2})\{dt}}] \,}
التكامل الأول هو تكامل لمقدار ثابت لا يتعلق بالزمن. أما الثاني فهو تكامل لتابع جيبي نبضه
2
ω
2
𝜔
{\displaystyle{\displaystyle 2\omega\,}}
فهو معدوم، ومنه:
P
=
1
2
T
V
m
I
m
[
T
×
cos
(
θ
1
-
θ
2
)
-
0
]
=
1
2
V
m
I
m
cos
(
θ
1
-
θ
2
)
=
1
2
1
2
V
m
I
m
cos
(
θ
1
-
θ
2
)
𝑃
1
2
𝑇
subscript
𝑉
𝑚
subscript
𝐼
𝑚
delimited-[]
𝑇
subscript
𝜃
1
subscript
𝜃
2
0
1
2
subscript
𝑉
𝑚
subscript
𝐼
𝑚
subscript
𝜃
1
subscript
𝜃
2
1
2
1
2
subscript
𝑉
𝑚
subscript
𝐼
𝑚
subscript
𝜃
1
subscript
𝜃
2
{\displaystyle{\displaystyle P={\frac{1}{2T}}V_{m}I_{m}[T\times\cos(\theta_{1}%
-\theta_{2})-0]={\frac{1}{2}}V_{m}I_{m}\cos(\theta_{1}-\theta_{2})={\frac{1}{%
\sqrt{2}}}{\frac{1}{\sqrt{2}}}V_{m}I_{m}\cos(\theta_{1}-\theta_{2})\,}}
ومنه:
P
=
V
𝑒𝑓𝑓
I
𝑒𝑓𝑓
cos
(
θ
1
-
θ
2
)
=
V
𝑒𝑓𝑓
I
𝑒𝑓𝑓
cos
ϕ
𝑃
subscript
𝑉
𝑒𝑓𝑓
subscript
𝐼
𝑒𝑓𝑓
subscript
𝜃
1
subscript
𝜃
2
subscript
𝑉
𝑒𝑓𝑓
subscript
𝐼
𝑒𝑓𝑓
italic-ϕ
{\displaystyle{\displaystyle{P=V_{\mathit{eff}}I_{\mathit{eff}}\cos(\theta_{1}%
-\theta_{2})=V_{\mathit{eff}}I_{\mathit{eff}}\cos\phi}\,}}
يسمى المقدار
ϕ
=
θ
1
-
θ
2
italic-ϕ
subscript
𝜃
1
subscript
𝜃
2
{\displaystyle{\displaystyle\phi=\theta_{1}-\theta_{2}\,}}
بعامل استطاعة الدارة . ويسمى المقدار
S
=
V
𝑒𝑓𝑓
I
𝑒𝑓𝑓
𝑆
subscript
𝑉
𝑒𝑓𝑓
subscript
𝐼
𝑒𝑓𝑓
{\displaystyle{\displaystyle S=V_{\mathit{eff}}I_{\mathit{eff}}\,}}
بالاستطاعة الظاهرية وتقاس بواحدة الفولط آمبير VA.
أما المقدار
Q
=
V
𝑒𝑓𝑓
I
𝑒𝑓𝑓
sin
ϕ
𝑄
subscript
𝑉
𝑒𝑓𝑓
subscript
𝐼
𝑒𝑓𝑓
italic-ϕ
{\displaystyle{\displaystyle Q=V_{\mathit{eff}}I_{\mathit{eff}}\sin\phi\,}}
فهو الاستطاعة التفاعلية، وتقاس بواحدة الفولط آمبير التفاعلية VAR (اختصارا لـ Volt-Ampère-Reactive). ويمكن تمثيل المقادير الثلاث السابقة في مثلث الاستطاعة القائم.
ونلاحظ أن
S
=
P
2
+
Q
2
𝑆
superscript
𝑃
2
superscript
𝑄
2
{\displaystyle{\displaystyle S={\sqrt{P^{2}+Q^{2}}}\,}}
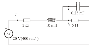
مثال محلول
لتكن لدينا الدارة المبينة بالشكل، وبفرض أن النبض
ω
=
400
𝑟𝑎𝑑
/
s
𝜔
400
𝑟𝑎𝑑
𝑠
{\displaystyle{\displaystyle\omega=400{\mathit{rad}}/s\,}}
والقيمة المنتجة للمنبع هي 20V:
احسب التيار العقدي
I
1
subscript
𝐼
1
{\displaystyle{\displaystyle I_{1}\,}}
ثم التيارين العقديين
I
2
subscript
𝐼
2
{\displaystyle{\displaystyle I_{2}\,}}
و
I
3
subscript
𝐼
3
{\displaystyle{\displaystyle I_{3}\,}}
.
احسب الاستطاعة المستهلكة في المقاومة
2
ω
2
𝜔
{\displaystyle{\displaystyle 2\omega\,}}
، وفي المقاومة
5
ω
5
𝜔
{\displaystyle{\displaystyle 5\omega\,}}
.
احسب الاستطاعة التفاعلية الكلية في الدارة
Q
𝑄
{\displaystyle{\displaystyle Q\,}}
.
احسب عامل الاستطاعة لهذه الدارة، ثم الاستطاعة الكلية المستهلكة فيها.
الحل:
الطلب الأول :. نعلم أن التيار العقدي
I
1
subscript
𝐼
1
{\displaystyle{\displaystyle I_{1}\,}}
يعطى بالعلاقة:
I
1
=
V
Z
E
subscript
𝐼
1
𝑉
subscript
𝑍
𝐸
{\displaystyle{\displaystyle I_{1}={\frac{V}{Z_{E}}}\,}}
لذلك فإننا سنقوم بحساب الممانعة الكلية للدارة.
لنقم أولا بحساب الممانعة المكافئة لكل من المكثفة والمقاومة
5
ω
5
𝜔
{\displaystyle{\displaystyle 5\omega\,}}
.
Z
C
=
-
j
X
C
=
-
j
1
ω
C
=
-
j
1
400
×
0.2510
-
3
=
-
j
10
Ω
subscript
𝑍
𝐶
𝑗
subscript
𝑋
𝐶
𝑗
1
𝜔
𝐶
𝑗
1
400
superscript
0.2510
3
𝑗
10
Ω
{\displaystyle{\displaystyle Z_{C}=-jX_{C}=-j{\frac{1}{\omega C}}=-j{\frac{1}{%
400\times 0.2510^{-3}}}=-j10\Omega\,}}
و
Z
5
Ω
=
5
Ω
subscript
𝑍
5
Ω
5
Ω
{\displaystyle{\displaystyle Z_{5\Omega}=5\Omega\,}}
فالممانعة المكافئة هي:
Z
1
=
Z
5
Ω
Z
C
Z
5
Ω
+
Z
c
=
-
50
j
5
-
10
j
subscript
𝑍
1
subscript
𝑍
5
Ω
subscript
𝑍
𝐶
subscript
𝑍
5
Ω
subscript
𝑍
𝑐
50
𝑗
5
10
𝑗
{\displaystyle{\displaystyle Z_{1}={\frac{Z_{5\Omega}Z_{C}}{Z_{5\Omega}+Z_{c}}%
}={\frac{-50j}{5-10j}}\,}}
عندما نضطر إلى تقسيم (أو ضرب) عددين عقديين فإننا غالبا لا نلجأ إلى ضرب البسط والمقام بمرافق المقام، بل نقوم بتحويل العددين إلى الشكل المطاور الأسهل نسبيا حيث سنقوم بتقسيم الطويلتين، وطرح الزاويتين فقط.
من أجل تحويل عدد عقدي
x
+
j
y
𝑥
𝑗
𝑦
{\displaystyle{\displaystyle x+jy\,}}
إلى الشكل المطاور
A
∠
θ
𝐴
∠
𝜃
{\displaystyle{\displaystyle A{\angle}\theta\,}}
نستخدم العلاقات التالية:
للتحويل إلى شكل المطاور:
A
=
x
2
+
y
2
𝐴
superscript
𝑥
2
superscript
𝑦
2
{\displaystyle{\displaystyle A={\sqrt{x^{2}+y^{2}}}\,}}
و
θ
=
arctan
(
y
x
)
𝜃
𝑦
𝑥
{\displaystyle{\displaystyle\theta=\arctan({\frac{y}{x}})\,}}
للعودة إلى الشكل العقدي التقليدي:
x
=
A
cos
θ
𝑥
𝐴
𝜃
{\displaystyle{\displaystyle x=A\cos\theta\,}}
و
y
=
A
sin
θ
𝑦
𝐴
𝜃
{\displaystyle{\displaystyle y=A\sin\theta\,}}
إذاً يمكننا الآن أن نقوم بإعادة كتابة
Z
1
subscript
𝑍
1
{\displaystyle{\displaystyle Z_{1}\,}}
بالشكل:
Z
1
=
50
∠
-
90
o
11.18
∠
-
63.43
o
=
4.473
∠
-
26.57
o
=
4
-
2
j
subscript
𝑍
1
50
∠
superscript
90
𝑜
11.18
∠
superscript
63.43
𝑜
4.473
∠
superscript
26.57
𝑜
4
2
𝑗
{\displaystyle{\displaystyle Z_{1}={\frac{50{\angle}-90^{o}}{11.18{\angle}-63.%
43^{o}}}=4.473{\angle}-26.57^{o}=4-2j\,}}
الآن نحسب ممانعة الوشيعة فنجدها:
Z
L
=
j
X
L
=
j
ω
L
=
(
400
×
10
×
10
-
3
)
=
4
j
subscript
𝑍
𝐿
𝑗
subscript
𝑋
𝐿
𝑗
𝜔
𝐿
400
10
superscript
10
3
4
𝑗
{\displaystyle{\displaystyle Z_{L}=jX_{L}=j\omega L=(400\times 10\times 10^{-3%
})=4j\,}}
وبالتالي يمكننا الآن حساب الممانعة الكلية:
Z
E
=
Z
2
Ω
+
Z
L
+
Z
1
=
2
+
(
4
j
)
+
(
4
-
2
j
)
=
6
+
2
j
=
6.32
∠
18.43
o
subscript
𝑍
𝐸
subscript
𝑍
2
Ω
subscript
𝑍
𝐿
subscript
𝑍
1
2
4
𝑗
4
2
𝑗
6
2
𝑗
6.32
∠
superscript
18.43
𝑜
{\displaystyle{\displaystyle Z_{E}=Z_{2\Omega}+Z_{L}+Z_{1}=2+(4j)+(4-2j)=6+2j=%
6.32{\angle}18.43^{o}\,}}
فيكون التيار العقدي
I
1
:
I
1
=
V
Z
E
=
20
∠
0
o
6.32
∠
18.43
o
=
3.165
∠
-
18.43
o
=
3
-
j
:
subscript
𝐼
1
subscript
𝐼
1
𝑉
subscript
𝑍
𝐸
20
∠
superscript
0
𝑜
6.32
∠
superscript
18.43
𝑜
3.165
∠
superscript
18.43
𝑜
3
𝑗
{\displaystyle{\displaystyle I_{1}:I_{1}={\frac{V}{Z_{E}}}={\frac{20{\angle}0^%
{o}}{6.32{\angle}18.43^{o}}}=3.165{\angle}-18.43^{o}=3-j\,}}
من أجل حساب التيارين
I
2
subscript
𝐼
2
{\displaystyle{\displaystyle I_{2}\,}}
و
I
3
subscript
𝐼
3
{\displaystyle{\displaystyle I_{3}\,}}
نستخدم قانون مقسم التيار، فنجد:
I
3
=
I
1
Z
2
Z
2
+
Z
3
=
3.165
∠
-
18.43
o
5
∠
0
o
11.18
∠
-
63.43
o
=
1.415
∠
45
o
=
1
+
j
subscript
𝐼
3
subscript
𝐼
1
subscript
𝑍
2
subscript
𝑍
2
subscript
𝑍
3
3.165
∠
superscript
18.43
𝑜
5
∠
superscript
0
𝑜
11.18
∠
superscript
63.43
𝑜
1.415
∠
superscript
45
𝑜
1
𝑗
{\displaystyle{\displaystyle I_{3}=I_{1}{\frac{Z_{2}}{Z_{2}+Z_{3}}}=3.165{%
\angle}-18.43^{o}{\frac{5{\angle}0^{o}}{11.18{\angle}-63.43^{o}}}=1.415{\angle%
}45^{o}=1+j\,}}
ومن أجل الحصول على التيار
I
2
subscript
𝐼
2
{\displaystyle{\displaystyle I_{2}\,}}
نطبق قانون كرشوف للتيارات فنجد:
I
2
=
I
1
-
I
3
=
(
3
-
j
)
-
(
1
+
j
)
=
2
-
2
j
=
2.828
∠
45
o
subscript
𝐼
2
subscript
𝐼
1
subscript
𝐼
3
3
𝑗
1
𝑗
2
2
𝑗
2.828
∠
superscript
45
𝑜
{\displaystyle{\displaystyle I_{2}=I_{1}-I_{3}=(3-j)-(1+j)=2-2j=2.828{\angle}4%
5^{o}\,}}
الطلب الثاني : بما أن التيار والفلطية متوافقان في مقاومة، ففرق الصفحة بينهما معدوم (راجع علاقة الاستطاعة التي مرت معنا)، فالاستطاعة المستهلكة هي جداء المقاومة في مربع طويلة التيار المنتج:
P
=
V
𝑒𝑓𝑓
I
𝑒𝑓𝑓
cos
(
0
o
)
=
R
I
𝑒𝑓𝑓
2
𝑃
subscript
𝑉
𝑒𝑓𝑓
subscript
𝐼
𝑒𝑓𝑓
superscript
0
𝑜
𝑅
superscript
subscript
𝐼
𝑒𝑓𝑓
2
{\displaystyle{\displaystyle P=V_{\mathit{eff}}I_{\mathit{eff}}\cos(0^{o})=R{I%
_{\mathit{eff}}}^{2}\,}}
في المقاومة
2
ω
2
𝜔
{\displaystyle{\displaystyle 2\omega\,}}
:
2
I
1
2
=
2
×
3.165
2
≃
20
W
2
superscript
subscript
𝐼
1
2
2
superscript
3.165
2
similar-to-or-equals
20
𝑊
{\displaystyle{\displaystyle 2{I_{1}}^{2}=2\times 3.165^{2}\simeq 20W\,}}
في المقاومة
5
ω
5
𝜔
{\displaystyle{\displaystyle 5\omega\,}}
:
5
I
3
2
=
5
×
2.828
2
≃
40
W
5
superscript
subscript
𝐼
3
2
5
superscript
2.828
2
similar-to-or-equals
40
𝑊
{\displaystyle{\displaystyle 5{I_{3}}^{2}=5\times 2.828^{2}\simeq 40W\,}}
الطلب الثالث :
الاستطاعة التفاعلية للمكثفة:
Q
c
=
V
𝑒𝑓𝑓
I
𝑒𝑓𝑓
sin
-
90
o
=
X
c
I
𝑒𝑓𝑓
2
sin
-
90
o
=
-
10
×
1.415
2
≃
-
20
𝑉𝐴𝑅
subscript
𝑄
𝑐
subscript
𝑉
𝑒𝑓𝑓
subscript
𝐼
𝑒𝑓𝑓
superscript
90
𝑜
subscript
𝑋
𝑐
superscript
subscript
𝐼
𝑒𝑓𝑓
2
superscript
90
𝑜
10
superscript
1.415
2
similar-to-or-equals
20
𝑉𝐴𝑅
{\displaystyle{\displaystyle Q_{c}=V_{\mathit{eff}}I_{\mathit{eff}}\sin-90^{o}%
=X_{c}{I_{\mathit{eff}}}^{2}\sin-90^{o}=-10\times 1.415^{2}\simeq-20{\mathit{%
VAR}}\,}}
الاستطاعة التفاعلية للوشيعة:
Q
L
=
X
L
I
1
2
sin
(
90
o
)
=
4
×
3.165
2
≃
40
𝑉𝐴𝑅
subscript
𝑄
𝐿
subscript
𝑋
𝐿
superscript
subscript
𝐼
1
2
superscript
90
𝑜
4
superscript
3.165
2
similar-to-or-equals
40
𝑉𝐴𝑅
{\displaystyle{\displaystyle Q_{L}=X_{L}{I_{1}}^{2}\sin(90^{o})=4\times 3.165^%
{2}\simeq 40{\mathit{VAR}}\,}}
وبالتالي الاستطاعة التفاعلية للدارة:
Q
=
Q
c
+
Q
L
=
20
𝑉𝐴𝑅
𝑄
subscript
𝑄
𝑐
subscript
𝑄
𝐿
20
𝑉𝐴𝑅
{\displaystyle{\displaystyle Q=Q_{c}+Q_{L}=20{\mathit{VAR}}\,}}
الطلب الرابع : عامل استطاعة الدارة هو
cos
ϕ
=
cos
(
θ
1
-
θ
2
)
italic-ϕ
subscript
𝜃
1
subscript
𝜃
2
{\displaystyle{\displaystyle\cos\phi=\cos(\theta_{1}-\theta_{2})\,}}
، أي هو جيب التمام لفرق الطور بين التيار والفلطية الكليين، وبما أن
Z
E
=
V
I
=
V
∠
θ
1
I
∠
θ
2
=
(
V
/
I
)
∠
(
θ
1
-
θ
2
)
=
6.32
∠
18.43
subscript
𝑍
𝐸
𝑉
𝐼
𝑉
∠
subscript
𝜃
1
𝐼
∠
subscript
𝜃
2
𝑉
𝐼
∠
subscript
𝜃
1
subscript
𝜃
2
6.32
∠
18.43
{\displaystyle{\displaystyle Z_{E}={\frac{V}{I}}={\frac{V{\angle}\theta_{1}}{I%
{\angle}\theta_{2}}}=(V/I){\angle}(\theta_{1}-\theta_{2})=6.32{\angle}18.43\,}}
فيكون عامل استطاعة الدارة:
cos
ϕ
=
cos
(
18.43
o
)
≃
0.95
italic-ϕ
superscript
18.43
𝑜
similar-to-or-equals
0.95
{\displaystyle{\displaystyle\cos\phi=\cos(18.43^{o})\simeq 0.95\,}}
الاستطاعة الكلية المستهلكة في الدارة:
P
=
V
𝑒𝑓𝑓
I
𝑒𝑓𝑓
cos
ϕ
=
20
×
3.165
×
0.95
≃
60
W
𝑃
subscript
𝑉
𝑒𝑓𝑓
subscript
𝐼
𝑒𝑓𝑓
italic-ϕ
20
3.165
0.95
similar-to-or-equals
60
𝑊
{\displaystyle{\displaystyle P=V_{\mathit{eff}}I_{\mathit{eff}}\cos\phi=20%
\times 3.165\times 0.95\simeq 60W\,}}
وهي تماما مجموع الاستطاعتين المستهلكتين في المقاومتين فقط. فالمكثفة والوشيعة المثاليتان عنصران لا يستهلكان الطاقة.
انتهت المسألة!
الاستطاعة العقدية
ليكن لدينا عنصر فيه تيار متناوب
I
=
I
𝑒𝑓𝑓
∠
β
𝐼
subscript
𝐼
𝑒𝑓𝑓
∠
𝛽
{\displaystyle{\displaystyle I=I_{\mathit{eff}}{\angle}\beta\,}}
، والفلطية المطبقة هي
V
=
V
𝑒𝑓𝑓
∠
α
𝑉
subscript
𝑉
𝑒𝑓𝑓
∠
𝛼
{\displaystyle{\displaystyle V=V_{\mathit{eff}}{\angle}\alpha\,}}
، فتكون الاستطاعة المستهلكة:
P
=
V
𝑒𝑓𝑓
I
𝑒𝑓𝑓
cos
(
α
-
β
)
𝑃
subscript
𝑉
𝑒𝑓𝑓
subscript
𝐼
𝑒𝑓𝑓
𝛼
𝛽
{\displaystyle{\displaystyle P=V_{\mathit{eff}}I_{\mathit{eff}}\cos(\alpha-%
\beta)\,}}
وحسب علاقة أويلر :
r
e
𝑗𝑥
=
r
(
cos
x
+
j
sin
x
)
𝑟
superscript
𝑒
𝑗𝑥
𝑟
𝑥
𝑗
𝑥
{\displaystyle{\displaystyle re^{\mathit{jx}}=r(\cos x+j\sin x)\,}}
، فإن الاستطاعة هي القسم الحقيقي للعدد العقدي:
V
𝑒𝑓𝑓
I
𝑒𝑓𝑓
e
j
(
α
-
β
)
subscript
𝑉
𝑒𝑓𝑓
subscript
𝐼
𝑒𝑓𝑓
superscript
𝑒
𝑗
𝛼
𝛽
{\displaystyle{\displaystyle V_{\mathit{eff}}I_{\mathit{eff}}e^{j(\alpha-\beta%
)}\,}}
أي
P
=
𝑅𝑒𝑎𝑙
[
V
𝑒𝑓𝑓
I
𝑒𝑓𝑓
e
j
(
α
-
β
)
]
=
𝑅𝑒𝑎𝑙
[
(
V
𝑒𝑓𝑓
e
j
α
)
(
I
𝑒𝑓𝑓
e
-
j
β
)
]
𝑃
𝑅𝑒𝑎𝑙
delimited-[]
subscript
𝑉
𝑒𝑓𝑓
subscript
𝐼
𝑒𝑓𝑓
superscript
𝑒
𝑗
𝛼
𝛽
𝑅𝑒𝑎𝑙
delimited-[]
subscript
𝑉
𝑒𝑓𝑓
superscript
𝑒
𝑗
𝛼
subscript
𝐼
𝑒𝑓𝑓
superscript
𝑒
𝑗
𝛽
{\displaystyle{\displaystyle P={\mathit{Real}}[V_{\mathit{eff}}I_{\mathit{eff}%
}e^{j(\alpha-\beta)}]={\mathit{Real}}[(V_{\mathit{eff}}e^{j\alpha})(I_{\mathit%
{eff}}e^{-j\beta})]\,}}
ولكن
I
𝑒𝑓𝑓
e
-
j
β
=
I
𝑒𝑓𝑓
∠
-
β
subscript
𝐼
𝑒𝑓𝑓
superscript
𝑒
𝑗
𝛽
subscript
𝐼
𝑒𝑓𝑓
∠
𝛽
{\displaystyle{\displaystyle I_{\mathit{eff}}e^{-j\beta}=I_{\mathit{eff}}{%
\angle}-\beta\,}}
ما هو إلا المرافق العقدي للتيار I أي:
I
M
=
I
𝑒𝑓𝑓
e
-
j
β
superscript
𝐼
𝑀
subscript
𝐼
𝑒𝑓𝑓
superscript
𝑒
𝑗
𝛽
{\displaystyle{\displaystyle I^{M}=I_{\mathit{eff}}e^{-j\beta}\,}}
، لأن مرافق أي عدد عقدي كما نعلم يعطى بالعلاقة:
(
r
e
j
θ
)
M
=
r
e
-
j
θ
superscript
𝑟
superscript
𝑒
𝑗
𝜃
𝑀
𝑟
superscript
𝑒
𝑗
𝜃
{\displaystyle{\displaystyle(re^{j\theta})^{M}=re^{-j\theta}\,}}
. وبالتالي فالاستطاعة المستهلكة هي القسم الحقيقي لجداء الفلطية بالمرافق العقدي للتيار:
P
=
𝑅𝑒𝑎𝑙
[
V
I
M
]
𝑃
𝑅𝑒𝑎𝑙
delimited-[]
𝑉
superscript
𝐼
𝑀
{\displaystyle{\displaystyle P={\mathit{Real}}[VI^{M}]\,}}