درس:نظرية كينلي

Ydelta.png

في بعض الحالات، نواجه أثناء تحليلنا للدارات عقدة توصل إليها ثلاثة أطراف تسمى النجمة. تسمح نظرية كينلي بتحويل هذه النجمة إلى مثلث، كما هو مبين في الشكل. لمعرفة مقاومات المثلث بدلالة مقاومة النجمة (أي للانتقال من اليمين إلى اليسار)، نستخدم العلاقات التالية:

أي المقاومة التي تصل بين عقدتين في المثلث هي مجموع الجداءات الثنائية غير المكررة لمقاومات النجمة مقسومة على المقاومة المتصلة بالعقدة المقابلة..

ولمعرفة مقاومات النجمة بدلالة مقاومة المثلث (أي للانتقال من اليسار إلى اليمين) نستخدم العلاقات التالية:

أي المقاومة المتصلة بعقدة ما، في نجمة، هي جداء المقاومتين المتصلتين بهذه العقدة في المثالث، مقسومة على مجموع مقاوماته [أي المثلث].

Ydprob1.png

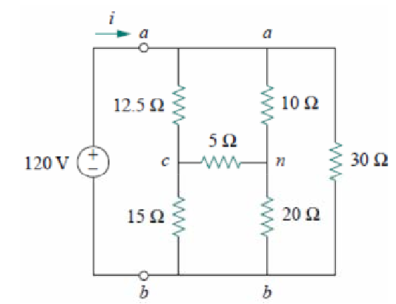
مثال: أوجد المقاومة المكافئة لمجموعة المقاومات الموصولة بين a وb. ثم احسب التيار المار في الدارة.

الحل: نقوم بتحويل النجمة abc إلى مثلث. فيكون

ومنه نجد أن:

وتصبح الدارة على النحو التالي:

Ydprob2.png

كل من المقاومات التالية موصولة على التفرع: (30 و70) و(17.5 و12.5) و(35 و15). بضمّها وحسابها تصبح الدارة على النحو التالي:

Ydprob3.png

وبالتالي تصبح المقاومة المكافئة بين ab:

خطأ رياضيات (وظيفة مجهولة): {\displaystyle R = \textup{(7.292 + 10.5) {\textbar}{\textbar} 21 = 9.632 }ohms\,}

وأصبح من الممكن إيجاد التيار i الذي يعطى بالعلاقة: