درس:نظريتي نورتون وثيفنن

يمكن استخدام كل من قانوني كرشوف وقانون أوم في تحليل جميع الدارات الكهربائية. لكن ذلك قد يكون صعبا في كثير من الحالات، لذلك فإننا سنتناول بعض النظريات التي تستخدم في تسهيل تحليل الدارات الكهربائية.، وذلك في الحالات الخاصة بدارات التيار المستمر.

نظرية تيفنن Thevenin's Theorem

Thevenin.png

تتيح هذه النظرية استبدال أية مجموعة ثابتة من المولدات والمقاومات الموصولة بثنائي قطب (الحمل الموصول بين A وB) بمنبع فلطية، فتختزل الدارة الحالية إلى العنصر المراد دراسته بشكل منفصل، ومنبع فلطية يكافئ بقية الدارة: قوته المحركة الكهربائية وموصول مع مقاومة ، تربط معه على التسلسل، تفيد هذه النظرية في تبسيط دراسة الدارات المعقدة على نحو كبير.

لتطبيق هذه النظرية نتبع الخطوات التالية: 1.نحدد العنصر المراد دراسته. 2.نفصل العنصر المراد دراسته من الدارة، فيترك مكانه نقطتين A وB وتكون بينهما الدارة مفتوحة. 3.نقوم بحساب فرق الكمون بين النقطتين، والذي سيمثل ، وذلك باستخدام قوانين كرشوف أو إحدى النظريات. 4.نقوم بحساب المقاومة المكافئة بعد إلغاء جميع المنابع. 5.نقوم بتركيب دارة تيفنن المكافئة والمكوّنة من الحمل المطلوب دراسته موصولا على التسلسل مع المنبع والمقاومة .

نظرية نورتون

Norton.png

تشبه نظرية نورتون إلى حد بعيد نظرية تيفنن، إلا أنها بدلا من أن تستعيض عن بقية أجزاء الدارة بمولد ومقاومة، تستعيض عنها بمولد تيار توصل معه على التفرع ناقلية.

العلاقة بين دارتي نورتون وتيفنن

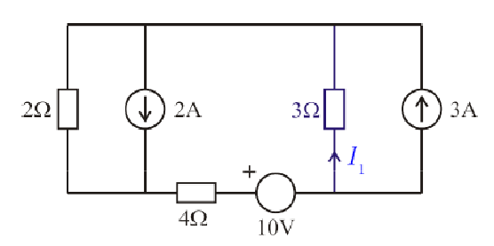
تمرين

احسب التيار في الدارة المبينة في الشكل أدناه باستخدام نظرية نورتون.

Nortonprob1.png

فكرة الحل: لا بد أولاً من إيجاد منبع التيار المكافئ للحمل الموصول بين A وB، وبعد ذلك يتم وصل هذا المنبع إلى الحمل، وتتم معرفة التيار .

من أجل إيجاد منبع التيار المكافئ، علينا أن نقوم بإيجاد المقاومة المكافئة، وذلك بفصل جميع منابع الدارة (حيث نقوم بفتح الدارة عند كل منبع تيار وقصرها عند كل منبع فلطية):

Nortonprob2.png

وبالتالي المقاومة المكافئة هي: .

الخطوة الثانية الآن هي إيجاد قيمة التيار المحرك الكهربائي للمنبع المكافئ للدارة والمار من A إلى B. من أجل ذلك، نقوم بوصل الدارة بين هاتين النقطتين. ونقوم بعدها بحساب التيار بإحدى الطرق الممكنة.

Nortonprob3.png

من أجل حساب سنقوم بتطبيق نظرية الانضمام، حيث سنقوم بالإبقاء على منبع واحد فقط، وحساب في هذه الحالة، ومن ثم يكون التيار المطلوب هو مجموع النتائج التي حصلنا عليها:

Nortonprob4.png

التيار الخارج من المنبع 3A يتفرع إلى فرعين: فرع يمر في المقاومات، وفرع آخر يمر في AB. وبما أن المقاومة فيالفرع الأخير معدومة، فإن التيار بأكمله يمر عبر المقاومة الصفرية أي:

Nortonprob5.png

يمكننا في هذه الحالة استخدام قانون مجزئ التيار، فالتيار الخارج من المنبع يتفرع إلى فرعين. نلاحظ أن القانون يعطينا قيمة التيار في الفرع AB والذي يعاكس جهة ، لذلك لا بد من وضع إشارة سالبة. أي

Nortonprob6.png

بتطبيق قانون أوم نجد بسهولة أن:

إذاً يمكننا أن نقول الآن وحسب نظرية الانضمام أن التيار هو:

هكذا نكون قد أوجدنا قيمة كل من المقاومة والتيار المحرك للمنبع، بقي فقط أن نقوم بوصل هذا المنبع مع الحمل AB ودراسة تأثيره.

Nortonprob7.png

الآن، ومن أجل حساب نقوم باستخدام قانون مجزئ التيار، فنجد:

الكلمات الدالة: