نظام الإشعال في المحرك

نظام الإشعال في المحرك ignition system، هو عملية إطلاق شرارة على شكل قوس كهربائية بين قطبي شمعة الإشعال spark plug في حجرة احتراق المحرك، تتسبب في التهاب مزيج الوقود والهواء المضغوط واحتراقه ومن ثم في دوران المحرك. ويستخدم الإشعال بالشرارة الكهربائية في محركات الاحتراق الداخلي العاملة بالوقود الخفيف السائل أو الغازي. وللاستفادة القصوى من طاقة احتراق المزيج لا بد من إطلاق الشرارة بقوة كافية وفي لحظة معينة قبل وصول المكبس إلى نقطة العطالة العليا خلال شوط الضغط وبزاوية سبق مناسبة. ويقوم جهاز تسبيق الإشعال advance mechanism بمهمة تغيير هذه الزاوية لكي تتزامن مع عمل المحرك في مختلف سرعات دورانه وأحماله.[1]

إطلاق الشرارة

يتطلب إطلاق الشرارة بين قطبي شمعة الإشعال توتراً عالياً يسمى توتر إطلاق الشرارة، الذي يبلغ في حالات عمل المحرك الطبيعية المستقرة 10-15 كيلو فولط، مع طاقة إشعال صغيرة 3-10 ميلي جول، وتصل درجة حرارة الشرارة إلى 1000 درجة مئوية، والمدة بين إطلاق الشرارة وتفريغها 1-1.5 ميلي ثانية وتتم عملية الإشعال بسرعة كبيرة جداً وتشمل المراحل الدورية التالية:

ـ اختزان الطاقة الكهربائية اللازمة وتحويلها إلى نبضات متواترة.

ـ التحويل إلى التوتر العالي المطلوب.

ـ توزيع نبضات التوتر العالي على شمعات الإشعال بحسب ترتيب الإشعال في المحرك.

ـ إطلاق الشرارة وإشعال المزيج في اللحظة المناسبة.

وتؤثر جودة الإشعال، بنسبة كبيرة، في مؤشرات أداء المحرك واقتصاد عمله، لذلك يجب أن يتصف نظام الإشعال بثقة وفعالية عاليتين في العمل. ويحتاج الإشعال الفعال في المحرك إلى توتر عال وطاقة كبيرة ومدة كافية لتفريغ الشرارة، ولاسيما عند بدء تشغيل المحرك البارد، وعند ارتفاع نسبة الضغط فيه من 8 -10بار، وعندما يكون المزيج قليلاً يكون معامل فائض الهواء بين 1،1 و1.2مم، وكذلك عند استخدام شمعات إشعال أقطابها متباعدة في حدود 1-1.2مم، وإن المحركات العاملة بالشرارة ذوات سرعات الدوران العالية وعدد الأسطوانات الكبير تتطلب من نظام الإشعال معدلاً كبيراً من الشرارات لا يقل عن 20000 شرارة في الدقيقة. ويمثل معدل تكوين الشرارات في المحرك بالعلاقة التالية:

F=τzn/8

حيث

τ = عدد أشواط المحرك.

Z = عدد الأسطوانات.

n = سرعة الدوران.

التاريخ

أنواع أنظمة الإشعال

تتألف منظومات الإشعال من عناصر متكاملة تضمن تشغيل المحرك. ويوجد نمطان لهذه المنظومات يتميز أحدهما من الآخر بطريقة التغذية الكهربائية، وهما: الإشعال بمساعدة البطاريات battery ignition system المستعمل أساساً في معظم المحركات الرباعية الأشواط؛ والإشعال المغناطيسي magneto ignition system الذي يعمل بلا مدخرة ويستخدم في المحركات الثنائية الأشواط أو الرباعية الأشواط، كما في الدراجات النارية وبعض الجرارات وفي المحركات الغازية ومحركات مجموعات التوليد الكهربائية وفي المكنات المتنقلة والثابتة.

ويوجد أنواع عدة لمنظومات الإشعال يعتمد مبدأ عملها على:

ـ تحقيق التحريض الوشيعي coil inductive لدى هبوط شدة التيار الأولي هبوطاً حاداً، أو تحقيق التفريغ السعوي capacitor discharge لشحنة المكثفة من أجل توفير قدرة إشعالٍ دوري في الدارة الأولية.

ـ تحقيق التماس بوجود مُقطِّع للتيار أو من دون مقطِّع للتيار، أي بوجود مولد نبضات pulse generator، من أجل ضمان نبضات التوتر الأولي بالمعدل المطلوب بحسب سرعة دوران المحرك وعدد أسطواناته.

ـ استخدام أنصاف النواقل semiconductor كالثنائيات diode والترانزيستور والثايرستور في منظومات الإشعال الإلكترونية لزيادة فعالية الإشعال وجودته.

ـ وجود محول تحريضي transformer لرفع التوتر الأولي للنبضات الكهربائية إلى قيمة التوتر الثانوي العالي المطلوب لإطلاق الشرارة.

ـ وجود موزع لنبضات التوتر العالي الكهربائية على الشمعات بحسب ترتيب الإشعال في أسطوانات المحرك.

النظم المغناطيسية

ملف الإشعال المغناطيسي

تعتمد منظومات الإشعال بالمغنيط على وشيعة خاصة تولّد نبضات كهربائية متغيرة ناتجة من سيالة مغنطيسية دوّارة لعدد من الأقطاب. ويكون تواتر تغيّر التيار المتولد متناسباً مع سرعة دوران المحرك وعدد أسطواناته. وتحتوي منظومات الإشعال بالمغنيط على العناصر الأساسية الموجودة في منظومات الإشعال ذوات المدخرة، مثل محول الإشعال ومقطِّع التيار أو مولد النبضات ذي القطبين. كذلك تزوّد منظومة الإشعال بالمغنيط الترانزيستورية وذوات المكثفة بأنصاف النواقل الضرورية كما هو في منظومات الإشعال الإلكترونية المماثلة ذات المدخرة. وتعمل وفق مبدئها نفسه.

وتتكون الدارات الأساسية لنظم الإشعال بالمغناطيس من، منظومة الإشعال بالملف التقليدية مع المغنيط magneto coil ignition system (MCI)؛ ومنظومة الإشعال بالملف الترانزيستورية مع المغنيط semiconductor magneto ignition system (SMI)؛ ومنظومة الإشعال بمكثفة التفريغ مع المغنيط magneto capacitor discharge ignition system (MCDI).

مغنيط ذو مقطع تيار تحكم مع جسم دوار لإنتاج تيار الإشعال الأول ومحول إشعال.
مغنيط إشعال ترانزيستوري.
مغنيط إشعال بتفريغ المكثفة.

تعطي منظومات الإشعال بالمغنيط توتراً عالياً لإطلاق الشرارة في حدود 8 -14 كيلوفولط في المنظومة التقليدية و16-20 كيلو فولط في المنظومات الإلكترونية.


أنظمة التحويل

Ford Model T ignition circuit


الإشتعال بواسطة البطارية

منظومة الإشعال بالملف التقليدي conventional coil ignition system (CI): يبين الشكلان 2 و3 مكونات هذه المنظومة والدارة الأساسية لعملها. تنطلق الشرارة بين قطبي شمعة الإشعال في لحظة قطع تماس التيار الأولي لظهور نبضة كهربائية تحريضية ذاتية في الدارة الأولية من الملف (الوشيعة) فيرتفع توتر النبضة في دارة الملف الثانوية، وتنتقل هذه النبضة إلى الموزع فشمعة الاشتعال حيث تُفرّغ على شكل شرارة. وعند وصل التماس يزداد التيار المار في الدارة الأولية ليبلغ حداً معيناً، ثم يقطع التماس فينشأ في الملف تحريض ذاتي، وهكذا تنشأ شرارة الإشعال دورياً عند كل قطع للتيار الأولي. وتعمل المكثفة المتصلة على التفرع مع مقطِّع التيار على اختزان الشرارة التي يمكن أن تنشأ بين قطبي التماس. ويجري قطع التماس ووصله مع دوران حدبة (كامة) cam لا مركزية على عمود الموزع الذي يدور دوراناً متناسباً مع دوران الجذع المعقوف في المحرك.

وتضمن هذه المنظومة التقليدية توتراً ثانوياً في حدود 10- 20 كيلو فولط يطلق 2000 إلى 18000 شرارة في الدقيقة.

دارة منظومة الإشعال التقليدية لمحرك ذي أربع أسطوانات.

تمتاز هذه المنظومة ببساطتها، لكن من سيئاتها أن قطبي التماس يتعرضان للتآكل الشديد، ولا يستطيع مقطِّع التيار ضمان متطلبات الإشعال في سرعات دوران المحرك العالية وعدد الأسطوانات الكبير. ولتلافي هذه السيئات جزئياً تستخدم منظومة مزدوجة للإشعال التقليدي.

ـ منظومة الإشعال بالملف الترانزيستورية transistorized coil ignition system (TCI): وتستخدم هذه المنظومة أنصاف النواقل ولاسيما الترانزيستور، ولها نوعان: النوع الأول مزود بمقطِّع تيار القدْح breaker triggered، ولا يتعرض التماس في هذا النوع للتآكل الشديد لمرور تيار قدح ضعيف الشدة من خلاله، وهو يضمن معدلاً يبلغ 21000 شرارة في الدقيقة، أما النوع الآخر فلا مقطِّع تيار له، بل يزود بمولد نبضات يضمن معدلاً عالياً يصل إلى 40000 شرارة في الدقيقة، مما يسمح باستخدامه في المحركات ذوات سرعات الدوران العالية والكثيرة الأسطوانات. ويبين الشكلان 4 و5 الدارة الأساسية لنوعي المنظومة الترانزيستورية.

مخطط الدارة الأساسية لمنظومة الإشعال الترانزيستورية بمقطع تيار القدح.
مخطط الدارة الأساسية لمنظومة الإشعال الترانزيستورية بمولد نبضات (من دون مقطع تيار).
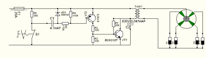
مخطط الدارة الأساسية لمنظومة الإشعال بتفريغ المكثفة.

يعمل الترانزيستور الأساسي في هذه المنظومة عمل المفتاح الكهربائي لوصل تيار الدارة الأولية وقطعه، ويتحكم في عمله تيار القاعدة الذي يأتي من مقطِّع تيار القدح أو من مولد النبضات، دورياً على نحو يتناسب مع سرعة دوران المحرك وعدد أسطواناته. وتنشأ شرارة الإشعال عند كل قطع أو انخفاض في تيار القدح والتيار الأولي كما في المنظومة التقليدية.

تمتاز المنظومة الترانزيستورية بأنها تحد من سيئات منظومة الإشعال التقليدية، فتضمن توتراً ثانوياً أعلى منه في هذه المنظومة، ويصل إلى 25 كيلوفولط، لكنها تتطلب أنصاف نواقل ذوات جودة عالية وتهوية جيدة لها، لضمان عملها الموثوق.

ـ منظومة الإشعال بتفريغ المكثفة capacitor discharge ignition system (CDI): وتقوم هذه المنظومة على مبدأ تفريغ مكثفة إشعال خاصة تشحن دورياً بدارة شحن. ويبين الشكل (6) الدارة الأساسية لهذه المنظومة.

ويتم التحكم في شحن المكثفة وتفريغها بثايرستور (مقوِّم ترانزيستوري) يعمل عمل مفتاح كهربائي لدارة الشحن والتفريغ. وتجهّز المنظومة بمقطِّع تيار أو بمولد نبضات يعطي إشارة التحكم إلى بوابة الثايرستور وإلى دارة الشحن. كما تزود المنظومة بمحول لرفع التوتر، في لحظة تفريغ المكثفة، إلى قيمة أعلى تصل إلى شمعة الإشعال من خلال الموزع كي تنطلق الشرارة المطلوبة. ومن ميزات منظومة الإشعال هذه أنها تعطي توتراً عالياً ثابتاً تقريباً يُراوح بين 25و 30 كيلوفولط مع تغير معدل إطلاق الشرارة الذي يمكن أن يبلغ 21000 شرارة في الدقيقة بوجود مقطّع التيار، و40000 شرارة في الدقيقة بوجود مولد النبضات. وتتميز الشرارة بقدرتها وقوتها العالية لصغر زمن إطلاقها (0.3 ميلي ثانية) الذي يقل خمس مرات تقريباً عنه في المنظومات ذوات الملف، لذلك فالشرارة قادرة على إحداث الإشعال المضمون لمزيج الاحتراق في أسطوانات المحرك مهما صَعُبت أحوال العمل.



أنظمة الإشعال الحديثة

Mechanically timed ignition

Distributor cap


Ignition Circuit Diagram - Mechanically Timed Ignition


الإشعال الإلكتروني

مثال على نظام الإشعال الإلكتروني البسيط


الإشعال الإلكتروني الرقمي

التحكم بالمحرك

محركات التوربينات، النفاثات والصواريخ

انظر أيضا

المصادر

  1. ^ مسلم طعمة. "الإشعال في المحرك". الموسوعة العربية. Retrieved 2012-01-19.
الكلمات الدالة: