مبرهنة نورتون

تحليل خطي للشبكات
العناصر

المقاومةCapacitor button.svgInductor button.svgمفاعلةمعاوقةVoltage button.svg
مواصلةElastance button.svgBlank button.svgSusceptance button.svgمسامحةCurrent button.svg

المكونات

Resistor button.svg Capacitor button.svg Inductor button.svg Ohm's law button.svg

دوائر التوالي والتوازي

Series resistor button.svgParallel resistor button.svgSeries capacitor button.svgParallel capacitor button.svgSeries inductor button.svgParallel inductor button.svg

تحويلات المعاوقة

Y-Δ transform Δ-Y transform star-polygon transforms Dual button.svg

مبرهنات المولد مبرهنات الشبكة

Thevenin button.svgNorton button.svgMillman button.svg

KCL button.svgKVL button.svgTellegen button.svg

أساليب تحليل الشبكات

KCL button.svg KVL button.svg Superposition button.svg

Two-port parameters

z-parametersy-parametersh-parametersg-parametersAbcd-parameter button.svgS-parameters

مبرهنة نورتون Norton's theorem، للشبكات الإلكترونية الخطية، ويعرف في اوروبا باسم مبرهنة ماير-نورتون، تنص على أن أي مجموعة مصادر جهد، مصادر تيار، و مقاومات لها محطتين طرفيتن تعادل مصدر التيار القياسي، I، بالتوازي مع مقاوم واحد، R. لأنظمة التيار المتردد أحادي التردد يمكن أيضا تطبيق النظرية على المعاوقات، وليس فقط على المقاومات. ويستخدم معادل نورتون ليمثل أي شبكة لمصادر خطية ومعاوقات، عند تردد معين. وتتكون الدائرة من مصدر تيار قياسي بالتوازي مع معاوق قياسي (أو مقاوم لدوائر غير تفاعلية).


حساب دائرة معادل نورتون

مثال على دائرة معادل نورتون

Step 0: The original circuit
Step 1: Calculating the equivalent output current
Step 2: Calculating the equivalent resistance
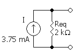
Step 3: The equivalent circuit

In the example, the total current Itotal is given by:

The current through the load is then, using the current divider rule:


So the equivalent circuit is a 3.75 mA current source in parallel with a 2 kΩ resistor.

التحويل إلى معادل ثيڤنين

Thevenin to Norton2.PNG

انظر أيضا

المصادر

وصلات خارجية