معاوقة كهربائية مزدوجة
(تم التحويل من Dual impedance)
| تحليل خطي للشبكات | |
|---|---|
| العناصر | |
| المكونات | |
| دوائر التوالي والتوازي | |
| تحويلات المعاوقة | |
| مبرهنات المولد | مبرهنات الشبكة |
| أساليب تحليل الشبكات | |
| Two-port parameters | |
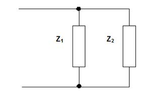
المعاوقة المزدوجة والشبكة المزدوجة، هي مصطلحات تستخدم في مجال شبكات التحليل الإلكترونية. ازدواج المقاومة هو المعكوس الجبري لها . لاحظ أن و مزدوج لكل منهما that is, they are reciprocal. For this reason the dual impedance is also called the inverse impedance. The dual of a network of impedances is that network whose impedance is . In the case of a network with more than one port the impedance looking into each of the ports must simultaneously be dual.
Another way of stating this is that the dual of is the admittance .
This is consistent with the definition of dual as being that circuit whose voltages and currents are interchanged since and
- Parts of this article or section rely on the reader's knowledge of the complex impedance representation of capacitors and inductors and on knowledge of the frequency domain representation of signals.
Scaled and normalised duals
ازدواج عناصر الدائرة الأساسية
طريقة بيانية
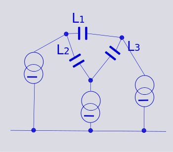
مثال - شبكة نجمية






مثال- شبكة كوير





المصادر
- Ghosh, Smarajit, Network Theory: Analysis and Synthesis, Prentice Hall of India